Delavniška dokumentacija

Na podlagi

funkcionalnega 3D modela izdelamo kompletno delavniško dokumentacijo s pripadajočimi kosovnicami. Dokumentacija je pripravljena tako, da je natančno definirana tehnologija izdelave, obdelave, itd.

Delavniška dokumentacija obsega

Kosovnice

Podane so mase, dolžine, količine, itd.

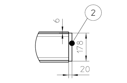
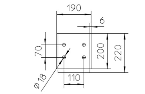
Pozicijske risbe

Natančno prikazane dimenzije in tehnologija obdelave posamezne pozicije.

Sestavne risbe

Natančno prikazano varjenje, mehanska obdelava, itd.

3D fotografije

Za lažjo predstavo, sestavo, priložene še 3D fotografije.